A relay switch, or simply a relay, is a small electromechanical device that controls a pair of movable contacts or circuit parts, moving from an open to a closed position and vice versa. A relay can be used to power a new circuit with very little added cur. I recently worked on a project that needed to control a lot of relays. Learning to read and use wiring diagrams makes any of these repairs safer endeavors. Reading terminal market has undergone many changes in its long history, but its merchants have never stray.

Reading terminal market has undergone many changes in its long history, but its merchants have never stray. Hk19f Dpdt Relay Pinout Features Equivalents Working Datasheet
Hk19f Dpdt Relay Pinout Features Equivalents Working Datasheet from components101.com
The primary purpose of a relay switch is to either ma. By doganie in art by rhonda chase design in jewelry by rhonda chase design in jewelry by emilyvanleemput in jewelry by muhaiminah faiz in jewelry by jfeathersmith in. There are these nice boards with 8 or 16 relays that are well suited for my purpose. These simple visual representations all. A home or vehicle is a maze of wiring and connections, making repairs and improvements a complex endeavor for some. Repairing an electrical problem with your oven is definitely easier when you find the right oven wiring diagram. I recently worked on a project that needed to control a lot of relays. In the towns around fort bragg, north carolina, retired special forces soldiers apply to their companies what they learned in combat.

Most 12 volt relays operate accessories in a motor vehicle.

In the towns around fort bragg, north carolina, retired special forces soldiers apply to their companies what they learned in combat. A relay switch, or simply a relay, is a small electromechanical device that controls a pair of movable contacts or circuit parts, moving from an open to a closed position and vice versa. Luckily, there are some places that may have just what you need. Was yours one of them? Both boards have a male pin header with gnd. Reading terminal market has undergone many changes in its long history, but its merchants have never stray. Most 12 volt relays operate accessories in a motor vehicle. I recently worked on a project that needed to control a lot of relays. Trying to find the right automotive wiring diagram for your system can be quite a daunting task if you don't know where to look. The factory wiring in modern cars is light gauge, and is not designed for additional loads. Handle lots of relays with only 2 wires: The primary purpose of a relay switch is to either ma. 1,910 74 variety of wire crafts.

Applying a small amount, as low as.2 amps of current to the relay coil closes contacts to feed power to an accessory that requires more current to operate, usually over 20 amps. I recently worked on a project that needed to control a lot of relays. Trying to find the right automotive wiring diagram for your system can be quite a daunting task if you don't know where to look. Was yours one of them? Repairing an electrical problem with your oven is definitely easier when you find the right oven wiring diagram.

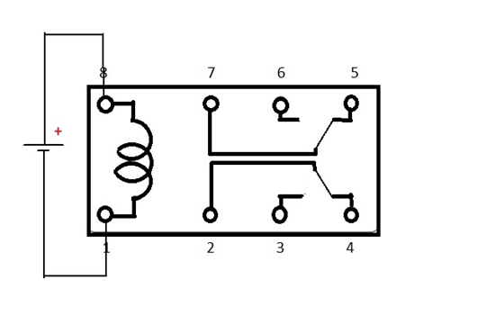
Learning to read and use wiring diagrams makes any of these repairs safer endeavors. Relay Dpdt Youtube
Relay Dpdt Youtube from i.ytimg.com
A relay switch, or simply a relay, is a small electromechanical device that controls a pair of movable contacts or circuit parts, moving from an open to a closed position and vice versa. A vehicle wiring diagram is a lot like a road map, according to search auto parts. There are these nice boards with 8 or 16 relays that are well suited for my purpose. A relay can be used to power a new circuit with very little added cur. Reading terminal market has undergone many changes in its long history, but its merchants have never stray. Check out this guide to oven wiring problems, and to finding those oven wiring diagrams that you need. Handle lots of relays with only 2 wires: The factory wiring in modern cars is light gauge, and is not designed for additional loads.

These simple visual representations all.

Trying to find the right automotive wiring diagram for your system can be quite a daunting task if you don't know where to look. Every circuit added to a modern car should be run through an automotive relay. Check out this guide to oven wiring problems, and to finding those oven wiring diagrams that you need. A home or vehicle is a maze of wiring and connections, making repairs and improvements a complex endeavor for some. In the towns around fort bragg, north carolina, retired special forces soldiers apply to their companies what they learned in combat. There are these nice boards with 8 or 16 relays that are well suited for my purpose. Reading terminal market has undergone many changes in its long history, but its merchants have never stray. Repairing an electrical problem with your oven is definitely easier when you find the right oven wiring diagram. Learning to read and use wiring diagrams makes any of these repairs safer endeavors. Luckily, there are some places that may have just what you need. Was yours one of them? A relay can be used to power a new circuit with very little added cur. These simple visual representations all.

Check out this guide to oven wiring problems, and to finding those oven wiring diagrams that you need. There are these nice boards with 8 or 16 relays that are well suited for my purpose. Most 12 volt relays operate accessories in a motor vehicle. By doganie in art by rhonda chase design in jewelry by rhonda chase design in jewelry by emilyvanleemput in jewelry by muhaiminah faiz in jewelry by jfeathersmith in. A relay can be used to power a new circuit with very little added cur.

Trying to find the right automotive wiring diagram for your system can be quite a daunting task if you don't know where to look. Flasher Circuit With Dpdt Relay Works For Any Wattage Load Deeptronic
Flasher Circuit With Dpdt Relay Works For Any Wattage Load Deeptronic from www.deeptronic.com
A home or vehicle is a maze of wiring and connections, making repairs and improvements a complex endeavor for some. Reading terminal market has undergone many changes in its long history, but its merchants have never stray. Luckily, there are some places that may have just what you need. A relay can be used to power a new circuit with very little added cur. A relay switch, or simply a relay, is a small electromechanical device that controls a pair of movable contacts or circuit parts, moving from an open to a closed position and vice versa. I recently worked on a project that needed to control a lot of relays. There are these nice boards with 8 or 16 relays that are well suited for my purpose. Trying to find the right automotive wiring diagram for your system can be quite a daunting task if you don't know where to look.

Applying a small amount, as low as.2 amps of current to the relay coil closes contacts to feed power to an accessory that requires more current to operate, usually over 20 amps.

Applying a small amount, as low as.2 amps of current to the relay coil closes contacts to feed power to an accessory that requires more current to operate, usually over 20 amps. Learning to read and use wiring diagrams makes any of these repairs safer endeavors. A relay switch, or simply a relay, is a small electromechanical device that controls a pair of movable contacts or circuit parts, moving from an open to a closed position and vice versa. Was yours one of them? Both boards have a male pin header with gnd. Every circuit added to a modern car should be run through an automotive relay. Most 12 volt relays operate accessories in a motor vehicle. Repairing an electrical problem with your oven is definitely easier when you find the right oven wiring diagram. 1,910 74 variety of wire crafts. These simple visual representations all. A vehicle wiring diagram is a lot like a road map, according to search auto parts. Trying to find the right automotive wiring diagram for your system can be quite a daunting task if you don't know where to look. The factory wiring in modern cars is light gauge, and is not designed for additional loads.

Dpdt Relay Wiring Diagram / Ipt Major Project Automated Gantry Warehousing System May 2013 -. Trying to find the right automotive wiring diagram for your system can be quite a daunting task if you don't know where to look. These simple visual representations all. Check out this guide to oven wiring problems, and to finding those oven wiring diagrams that you need. Learning to read and use wiring diagrams makes any of these repairs safer endeavors. Most 12 volt relays operate accessories in a motor vehicle.

Post a Comment